推薦產品
咨詢熱線:
郵件: oklzq@aliyun.com
電話:0317-8309525
地址: 河北省泊頭市南倉街
-
產品詳情

TS3KD型鍵槽法蘭膜片聯軸器
產品特點:
利用脹套聯接的膜片型聯軸器
零回轉間隙,拆裝方便
高靈敏度,傳遞力矩大
順時針與逆時針回轉特性相同
不銹鋼模膜片補償徑向、角向和軸向偏差
常用于伺服電機、步進電機聯接
選型舉例:
例如:TS3KD-56-1410
TS3K:系列號,材料為鐵合金
56:外經尺寸:56mm,夾緊螺絲固定
14:d1軸徑為:14mm
18:d2軸徑為:20mm
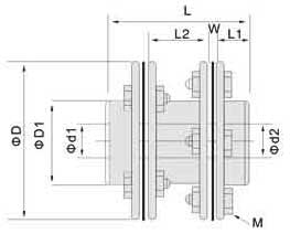
外型尺寸Dimensions 單位:mm
| 型號 Model | φd1φd2 軸徑Bore | φD | φD1 | L | L1 | L2 | W | M |
| TS3KD-56-□□□□ | 8 10 11 12 14 16 18 19 20 | 56 | 32 | 74 | 20 | 24 | 5 | M5 |
| TS3KD-68-□□□□ | 11 14 16 18 19 20 22 24 25 | 68 | 40 | 86 | 25 | 24 | 6 | M6 |
| TS3KD-82-□□□□ | 14 16 18 19 20 24 25 28 30 35 | 82 | 54 | 98 | 30 | 26 | 6 | M6 |
| TS3KD-94-□□□□ | 14 16 18 19 20 24 25 28 30 35 38 | 94 | 58 | 106 | 30 | 30 | 8 | M8 |
| TS3KD-104-□□□□ | 19 22 24 25 30 35 38 40 42 | 104 | 68 | 120 | 35 | 30 | 10 | M8 |
| TS3KD-126-□□□□ | 22 24 30 35 38 40 42 45 50 | 126 | 78 | 140 | 40 | 38 | 11 | M10 |
| TS3KD-144-□□□□ | 30 34 37 40 45 50 55 60 | 144 | 88 | 160 | 45 | 46 | 12 | M12 |
技術參數Specifications 單位:mm
| 型號 Model | 額定扭矩 Rated Torque (N.m) | 扭矩達 Max.Torque (N.m) | 轉速達 Max.Rotational Frequency (rpm) | 慣性力矩 Moment of Inertia (kg ㎡) | 靜態扭矩 剛性 Static Torsioral Stiffness (Nm/rad) | 徑向偏差 Enors of Eccentricity (mm) | 角度偏差 Enors of Shaft Angularity (°) | 軸向偏差 Enors of Shaft End-slay (mm) | 重量 Mass (g) |
| TS3KD-56-□□□□ | 25 | 50 | 15000 | 0.19×10-3 | 75×10-3 | 0.04 | 1.5 | ±1.0 | 500 |
| TS3KD-68-□□□□ | 55 | 110 | 14000 | 0.54×10-3 | 13×10-3 | 0.04 | 1.5 | ±1.5 | 900 |
| TS3KD-82-□□□□ | 80 | 160 | 11000 | 1.6×10-3 | 39×10-3 | 0.04 | 1.5 | ±2.0 | 1700 |
| TS3KD-94-□□□□ | 170 | 340 | 9500 | 2.8×10-3 | 78×10-3 | 0.04 | 1.5 | ±2.0 | 2400 |
| TS3KD-104-□□□□ | 240 | 480 | 8800 | 24.6×10-3 | 115×10-3 | 0.04 | 1.5 | ±2.0 | 3300 |
| TS3KD-126-□□□□ | 420 | 840 | 6800 | 11.9×10-3 | 200×10-3 | 0.04 | 1.5 | ±2.0 | 5800 |
| TS3KD-144-□□□□ | 700 | 1400 | 6000 | 18.2×10-3 | 350×10-3 | 0.04 | 1.5 | ±2.0 | 8600 |
說明:慣性力矩和重量按特大孔徑計算。





