推薦產品
咨詢熱線:
郵件: oklzq@aliyun.com
電話:0317-8309525
地址: 河北省泊頭市南倉街
-
產品詳情
SWC-WD型無伸縮短式萬向聯軸器能廣泛應用于冶金、起重、工程運輸、礦山、石油、船舶、煤炭、橡膠、造紙機械及其它重機行業的機械軸系中傳 遞轉矩。
1.具有較大的角度補償能力。軸線折角,SWC型軸線折角可達15度~25度,SWP型可達10度左右。
2.結構緊湊合理。SWC型采用整體式叉頭,使運載更具可靠性。
3.承載能力大。與回轉直徑相同的其它型式的聯軸相比較,其所傳遞的扭矩更大,此對回轉直徑受限制的機械設備,其配套范圍更具優越性。
4.傳動效率高。其傳動效率達98-99.8%,用于大功率傳動,節能效果明顯。
5.運載平穩,噪聲低,裝拆維護方便。
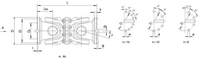
SWC-WD型無伸縮短式萬向聯軸器基本參數和主要尺寸
| 型號 | 回轉直徑 D mm | 公稱轉矩 Tn kN·m | 疲勞轉矩 Tf kN·m | 軸線折角 β (°) | 尺寸mm | ||||||||
| Lmin | D1 (js11) | D2 (H7) | Lm | n-d | k | t | b (h9) | g | |||||
| SWC180WD | 180 | 12.5 | 6.3 | ≤25 | 440 | 155 | 105 | 110 | 8-17 | 17 | 5 | - | - |
| SWC200WD | 200 | 30 | 15 | ≤15 | 480 | 175 | 125 | 110 | 8-17 | 17 | 5 | 28 | 8.0 |
| SWC225WD | 225 | 40 | 20 | ≤15 | 480 | 196 | 135 | 120 | 8-17 | 20 | 5 | 32 | 9.0 |
| SWC250WD | 250 | 63 | 31.5 | ≤15 | 560 | 218 | 150 | 140 | 8-19 | 25 | 6 | 40 | 12.5 |
| SWC285WD | 285 | 90 | 45 | ≤15 | 640 | 245 | 170 | 160 | 8-21 | 27 | 7 | 40 | 15.0 |
| SWC315WD | 315 | 125 | 63 | ≤15 | 720 | 280 | 185 | 180 | 10-23 | 32 | 8 | 40 | 15.0 |
| SWC350WD | 350 | 180 | 90 | ≤15 | 776 | 310 | 210 | 194 | 10-23 | 35 | 8 | 50 | 16.0 |
| SWC390WD | 390 | 250 | 125 | ≤15 | 860 | 345 | 235 | 215 | 10-25 | 40 | 8 | 70 | 18.0 |
| SWC440WD | 440 | 355 | 180 | ≤15 | 1040 | 390 | 255 | 260 | 16-28 | 42 | 10 | 80 | 20.0 |
| SWC490WD | 490 | 500 | 250 | ≤15 | 1080 | 435 | 275 | 270 | 16-31 | 47 | 12 | 90 | 22.5 |
| SWC550WD | 550 | 710 | 355 | ≤15 | 1220 | 492 | 320 | 305 | 16-31 | 50 | 12 | 100 | 22.5 |
| SWC620WD | 620 | 1000 | 500 | ≤15 | 1360 | 555 | 380 | 340 | 10-38 | 55 | 12 | 100 | 25.0 |





