推薦產品
 
    咨詢熱線:
郵件: oklzq@aliyun.com
電話:0317-8309525
地址: 河北省泊頭市南倉街
- 
            產品詳情

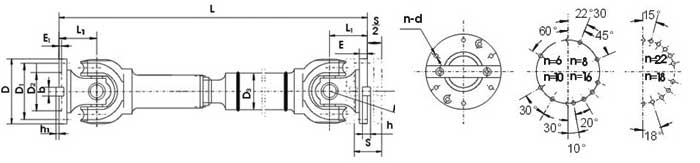
SWP-A型有伸縮單型萬向聯軸器
| 型號 | 回轉直徑 D mm | 公稱轉矩 Tn kN·m | 疲勞轉矩 Tf kN·m | 軸承折角 β (°) | 伸縮量 S mm | 尺寸mm | |||||||||
| Lmin | D1 | D2 | D3 | E | E1 | b×h | h1 | L1 | n-d | ||||||
| SWP160A | 160 | 16 | 8 | ≤10 | 50 | 660 | 140 | 95 | 114 | 15 | 4 | 20×12 | 6 | 85 | 6-13 | 
| SWP180A | 180 | 20 | 10 | ≤10 | 60 | 752 | 155 | 105 | 121 | 15 | 4 | 24×14 | 7 | 95 | 6-15 | 
| SWP200A | 200 | 31.5 | 16 | ≤10 | 70 | 823 | 175 | 125 | 127 | 17 | 5 | 28×16 | 8 | 110 | 8-15 | 
| SWP22*A | 225 | 40 | 20 | ≤10 | 76 | 933 | 196 | 135 | 152 | 20 | 5 | 32×18 | 9 | 130 | 8-17 | 
| SWP250A | 250 | 63 | 31.5 | ≤10 | 80 | 978 | 218 | 150 | 168 | 25 | 5 | 40×25 | 12.5 | 135 | 8-19 | 
| SWP28*A | 285 | 90 | 45 | ≤10 | 100 | 1133 | 245 | 170 | 194 | 27 | 7 | 40×30 | 15 | 150 | 8-21 | 
| SWP31*A | 315 | 140 | 63 | ≤10 | 110 | 1250 | 280 | 185 | 219 | 32 | 7 | 40×30 | 15 | 170 | 10-23 | 
| SWP350A | 350 | 180 | 90 | ≤10 | 120 | 1380 | 310 | 210 | 245 | 35 | 8 | 50×32 | 16 | 185 | 10-23 | 
| SWP390A | 390 | 250 | 112 | ≤10 | 120 | 1495 | 345 | 235 | 273 | 40 | 8 | 70×36 | 18 | 205 | 10-25 | 
| SWP43*A | 435 | 355 | 160 | ≤10 | 150 | 1710 | 385 | 255 | 299 | 42 | 10 | 80×40 | 20 | 235 | 16-28 | 
| SWP480A | 480 | 450 | 224 | ≤10 | 170 | 1910 | 425 | 275 | 351 | 47 | 12 | 90×45 | 22.5 | 265 | 16-31 | 
| SWP550A | 550 | 710 | 315 | ≤10 | 190 | 2135 | 492 | 320 | 402 | 50 | 12 | 100×45 | 22.5 | 290 | 16-31 | 
| SWP660A | 600 | 1000 | 500 | ≤10 | 210 | 2580 | 544 | 380 | 450 | 55 | 15 | 90×55 | 27.5 | 360 | 22-34 | 
| SWP640A | 640 | 1250 | 630 | ≤10 | 230 | 2685 | 575 | 385 | 480 | 60 | 15 | 100×60 | 30 | 385 | 18-38 | 
注:標記示例:回轉直徑D=315mm,安裝長度L=1800mm,A型有伸縮長型萬向聯軸器。
SWP31**×1800聯軸器
SWP-A型有伸縮單型萬向聯軸器與其它結構型式的萬向聯軸器相比,具有傳遞扭矩大,使用壽命長,應用范圍廣等特點。它的應用特別是對冶金行業的技術改造及機械產品更新換代提供了在有利條件。 
十字軸式萬向聯軸器主要應用于軋機主傳動和輔機傳動,也適用于起重、礦山、工程、車輛運輸、石油、船舶、造紙機械及其它重型機械行業。
 
            
          





